products
產品中心
當前位置:首頁 > 產品中心 > 礦用電動閥門系列 > 礦用隔爆型閥門電動裝置
礦用電動閥門系列 > 礦用隔爆型閥門電動裝置
產品詳情 圖片集錦
主要特點及用途
QMB礦用隔爆型小型閥門電動裝置是針對煤礦使用條件而專門設計和制造的。適用于對球閥、碟閥等閥門的控制,與高壓小口徑專用閥門配套后,使用與煤礦消防、降塵、井下中央水泵房射流泵和真空泵的自動化控制。
QMB礦用隔爆型小型閥門電動裝置設計與制造標準

型號規格和主要性能參數

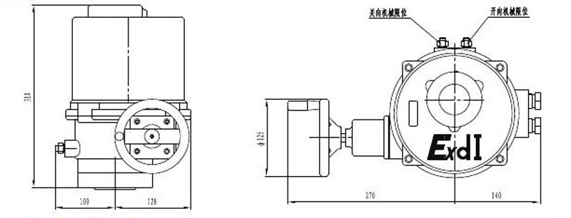
外形及連接尺寸
QMB3.5/5外形尺寸

QMB9/15/25外形尺寸

與閥門連接的結構示意圖及尺寸
QMB3.5/5連接尺寸示意圖

QMB9/15/25連接尺寸示意圖

QMB礦用隔爆型小型閥門電動裝置端子圖

轉載請注明出處(QMB礦用隔爆型小型閥門電動裝置:/companynews/422)
上一條:QB系列礦用隔爆型閥門電動裝置
相關文章
- 2025-09-08 > 電動閥門執行器:工業自動化的核心驅動裝置
- 2025-08-15 > 電動閥門改造:技術升級與智能化轉型的全面解析
- 2025-07-07 > 電動閥門改造需要注意什么問題
- 2025-06-20 > 選電動閥門執行器時需要考慮哪些因素呢
- 2025-05-26 > 閥門電裝控制回路技能鑒定實操
- 2025-04-24 > 電動閥門執行器在哪個位置
- 2025-03-17 > 電動閥門執行器安裝方向
- 2025-02-18 > 閥門電裝可以接地嗎
- 2025-01-14 > 電動閥門執行器故障報警怎么接線原理
- 2024-12-18 > 電動閥門執行器故障
相關產品


