products
產品中心
礦用電動閥門系列 > 礦用隔爆型閥門電動裝置
ZJK隔爆兼本安一體化閥門電動裝置,是我公司針對國家Ⅰ類防爆行業設計的閥門專用控制產品,主要用于啟閉件做直線運動的閥門配套使用,如閘閥、截止閥、隔膜閥、閘門、水閘閥等,疊加變速箱后可以控制蝶閥、球閥,用于對閥門的開啟、關閉、調節。是閥門實現遠控、集控和自控必不可少的驅控裝置。
目前煤礦使用的電動閥門,都是基本礦用防爆型電動閥加礦用防爆控制箱,占地大、控制電纜多、安裝不便、控制工能少、可靠性差。
ZJK隔爆兼本安型一體式閥門電動裝置,采用非侵入式結構,單片機編程,485通訊接口,運行數據打印等,具有功能全、性能可靠、控制系統先進、體積小、重量輕、使用維護方便等特點。
產品的性能符合GB3836.1-2010爆炸性環境第1部分:設備 通用要求、GB3836.2-2010 爆炸性環境第2部分:由隔爆外殼“d”保護的設備、GB3836.4-2010爆炸性環境第4部分:由本質安全型“i”保護的設備》及JB/T8529-1997《隔爆型閥門電動裝置技術條件》GBT28270-2012《智能型閥門電動裝置》的規定,可廣泛應用于煤礦井上、井下的管道閥控系統中。
a) 防爆型式為礦用隔爆型,防爆標志為“Exd[ib]I Mb”。
b) 電纜引入裝置型式為壓緊螺母及壓盤式。
◆型號示例:
ZJK45/24(660):表示多回轉、隔爆兼本安型、輸出轉矩450N?m(45kgf?m)、輸出轉速24 r/min,額定工作電壓為660或380V的電動裝置。
4、使用環境主要技術參數
4.1 使用環境:
a) 環境氣壓:86kPa~110kPa;
b) 環境溫度:-10℃~+40℃;
c) 空氣平均相對濕度:不大于95%(+25℃);
d) 煤礦井下有瓦斯,煤塵等爆炸危險的環境;無垂直淋水和濺水場合;
e)無強烈震動和沖擊的地方;
f) 無破壞金屬和絕緣材料的腐蝕性氣體的地方。
4.2 技術參數
a)額定工作電壓:AC660V或AC380V
b)額定工作頻率:50Hz
c)開關量輸入信號電平:本安DC24V 本安
d)輸入信號電流、阻抗:電流DC 4mA~20mA ib 輸入阻抗250Ω
e)輸出信號電流、負載:電流DC 4mA~20mA ib 負載阻抗<700Ω
f)485通訊接口
g)工作制:短時10分鐘工作制
h)安裝方式:垂直或水平安裝方式。
4.3 ZJK系列型號列表見(表1)
4.4結構及外形
4.4.1結構如(圖1)所示
電動裝置由閥門專用電動機、減速機構、碟簧、轉矩檢測控制機構、行程檢測控制機構、控制器、面板操作、手電動切換機構、手動操作機構、開蓋機電連鎖裝置等組成。
4.4.1.1電動機:采用YBDF系列閥門專用電機系列。
4.4.1.2力矩檢測裝置
當力矩控制器接收到蝸桿的軸向力后,推動力矩控制器軸旋轉、帶動位移傳感器檢
測力矩輸出值,送入控制器進行數據處理。
4.4.1.3行程控制器
行程控制器采用編碼器檢測輸出軸的旋轉角度與位移,將所采集的數據送入到控制器進行處理,用以控制檢測輸出軸、對輸出軸進行^的定位。
4.4.2外形尺寸見(表2)(圖2)
4.4.3外部連接尺寸見(表3)(圖3)
4.4.3電氣元件安裝位置如圖所示、見(圖4)
4.5控制器電控保護及性能參數
4.5.1電流保護:電動裝置電動機運行電流大于額定電流,小于電動機額定電流的5倍,2秒內斷開電動機驅動電源并顯示故障報警。
4.5.2欠壓保護:當三相交流電源電壓降至額定電壓的85%以下時,模塊實現保護,停止控制輸出,實現對控制對象的保護。當三相交流電源電壓恢復到額定電壓的85%以上時,模塊退出保護,電路正常工作。
4.5.3短路保護:電動裝置電動機驅動側驅動電流大于電動機額定電流的10倍,0.2秒內斷開電動機驅動電源,并顯示故障報警。
4.5.4過力矩保護:當電動執行器向開向或關向運行出現卡澀故障時,將信號送進控制箱模塊(開關量信號)中,模塊實現單方向保護,實現單方向鎖定,解鎖時需向相反方向運行3s,即可實現解鎖或停電解鎖;當出現開閥、關閥兩個方向卡澀故障時,雙方向運行均能保護,模塊實現雙方向保護,并應停電解鎖。
4.5.5相序保護:當輸入電源三相交流電中有一相或兩相電壓為零時,控制模塊實現保護,停止控制輸出,實現被控對象的保護,并顯示故障報警。
4.5.6漏電保護:當主電路對地絕緣值小于下表4時、實現漏電保護,當主電路對地絕緣當上升到下表值的1.5倍時,解除主電路漏電保護,電路恢復正常工作。
4.5.7相序自糾正:控制器依據檢測到的電源相序自動糾正輸出相序,保證電動機的旋轉方向與開、關閥的方向保持一致,消除了由于電動機方向不對造成對閥門的損壞。
4.5.8手電動切換保護:電動裝置手動、電動切換有機電連鎖機構,靈敏可靠,電動時手輪不得轉動,手動時應能可靠切斷操作電源、確保電動不能工作。
4.6工作原理及工作特性
ZJK系列電動裝置采用隔爆外殼,把可能因產生火花、電弧的電路部分與殼體外爆炸性氣體混合物隔開,從而達到隔爆的目的。隔爆接合面參數符合GB3836.2-2010的規定,電纜引入裝置符合GB3836.1-2010的規定。
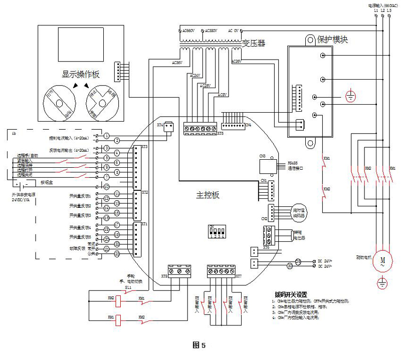
4.7電動裝置接線原理圖見(圖5)、出線端子圖見(圖6)

4.7.1.3主控板:主控板安裝在機身內,內置微處理器,實現電動執行器智能控制。主控板主要功能包括:控制電源處理;模擬信號輸入檢測;模擬信號輸出控制;開關信號輸入檢測;開關控制信號輸出;與面板通信處理等。
4.7.1.4電源模塊:電源模塊包含相序識別電路;漏電檢測電路;電壓、電流檢測電路等。通過8芯連接線與主控板連接。
4.7.1.5^值編碼器:編碼器與執行器中轉連接,用于檢測閥門當前開度。編碼器為16位精度,SSI接口輸出位置信息。
4.7.1.6轉矩檢測電位器:用于檢測電動裝置的開向、關向輸出轉矩,作為控制器轉矩控制模擬量輸入。
4.7.1.7開關信號反饋: 反饋6組繼電器開關信號。其中1路為故障狀態,其余5路可通過菜單人工編程設置。
4.7.1.8各路信號隔離:本安電路輸入、輸出,采用專用隔離模塊,可承受2000V浪涌電壓。
4.7.1.9驅動信號輸出:無源干接點輸出。
4.7.1.10全中文LCD顯示:漢字菜單顯示,方便用戶觀察狀態及操作。
4.7.1.11故障自診斷功能:系統帶有故障自診斷功能,能即時監測故障、執行保護措施并在面板上直觀的顯示當前故障信息。主要包括以下故障及保護類型。
a)手輪手動:控制器設有手輪操作輸入檢測,該信號為常閉信號。當執行器切換到手輪手動時,信號斷開,控制器禁止動作,并在故障診斷顯示區顯示“手輪手動”字樣;當手輪操作輸入信號重新閉合時,手輪手動狀態可自動解除。
b)緊急狀態:當遠程緊急ESD信號閉合時,故障診斷顯示區顯示“緊急狀態”字樣,此時根據內部設置,可禁止執行器動作,或者無條件把執行器調整到內部設定的安全位置;當遠程緊急ESD信號斷開時,緊急狀態自動解除。
C)電機漏電:電源模塊在電機不工作時,檢測電機繞組帶電部分和外殼的絕緣電阻值,當檢測到該值小于一定范圍,發出“電機漏電”報警,禁止輸出。
d)電源缺相:系統檢測三相電源輸入,當發生缺相時為保護電機,禁止執行器動作,并顯示“電源缺相”字樣;電源缺相一旦發生不能自動解除,除非斷電再重新通電。
e)熱過載:控制器設有電機熱過載開關輸入檢測,該信號為常閉信號。當檢測到該信號斷開時,故障診斷顯示區顯示“熱過載”字樣,并禁止執行器動作(ESD緊急狀態除外);熱過載保護可自動恢復。
f)開力矩:控制器設有開向過力矩檢測(根據機型可選擇電位器力矩傳感器或常閉開關信號),當發生開力矩時,禁止執行器開,并顯示“開力矩”字樣。在電機剛啟動1秒內不執行開向過力矩保護;發生開向過力矩保護時可自動恢復,恢復的條件是:開力矩輸入恢復,并且執行器執行了關動作。
g)關力矩:控制器設有關向過力矩檢測(根據機型可選擇電位器力矩傳感器或常閉開關信號),當發生關力矩時,禁止執行器關,并顯示“關力矩”字樣。在電機剛啟動1秒內不執行關向過力矩保護;發生關向過力矩保護時可自動恢復,恢復的條件是:關力矩輸入恢復,并且執行器執行了開動作。
h)閥位故障:當控制器檢測不到正確的編碼器或開度電位器信號時,報閥位故障。此時禁止執行器動作,并故障診斷顯示區顯示“閥位故障”字樣,閥位故障可自動恢復。
4.7.2電動裝置顯示、操作
4.7.2.1顯示
4.7.2.1.1LCD液晶屏劃分為5個顯示區域(如圖8):
4.7.2.1.3故障信息顯示:該位置設置4個16*16點陣。分別在故障下顯示特殊狀態和故障內容,并按以下優先級顯示:
● 電源缺相
● 手輪手動
● 電機漏電
● 閥門故障
● 關向過矩
● 開向過矩
● 關向超時
● 開向超時
● 關方向反
● 開方向反
4.7.2.1.4開度顯示:該位置設置4個32*16點陣。顯示閥門實際開度百分比數字0%~100%;
4.7.2.1.5目標位顯示:該位置設置2個16*16點陣+4個16*8點陣。分別顯示“目標”和遠程輸入開度百分比,在模擬控制丟信狀態顯示丟信;
4.7.2.1.6當前模式顯示:該位置設置4個16*16點陣。顯示電動裝置的工作模式,顯示內容包括:
● 現場點動(位置選擇旋鈕放在現場位置,選定現場控制方式為點動)。
● 停止(位置選擇旋鈕放在停止位置)。
● 現場點動(位置選擇旋鈕放在現場位置,選定現場控制方式為點動)。
● 現場保持(位置選擇旋鈕放在現場位置,選定現場控制方式為自保持)。
● 遠程通信(位置選擇旋鈕放在遠程位置,通信總線成功建立連接關系)。
● 遠程模擬(位置選擇旋鈕放在遠程位置,遠程手自動信號閉合)。
● 遠程點動(位置選擇旋鈕放在遠程位置,遠程手自動信號斷開,且選定遠程控制方式為點動)。
● 遠程雙位(位置選擇旋鈕放在遠程位置,遠程手自動信號斷開,且選定遠程控制方式為有信開無信關或有信關無信開)。
● 遠程保持(位置選擇旋鈕放在遠程位置,遠程手自動信號斷開,且選定遠程控制方式為自保持)。
● 電動裝置安裝調試完成后,可通過旋鈕組件進行常規操作和控制。
4.7.2.2操作
4.7.2.2.1電動裝置操作面位置選擇旋鈕、操作旋鈕組件見(如圖7)。
4.7.2.2.2現場操作
4.7.2.2.2.1將位置選擇旋鈕旋轉到現場位置,此時LCD液晶屏顯示現場點動或現場保持模式(現場點動或保持模式可在組態參數設定時設定其一)。
4.7.2.2.2.2現場點動操作:
將操作旋鈕旋到“關閉”位置,并保持不動,此時電動裝置向關閉方向運動。一旦放開旋鈕,旋鈕會自動回到原始位置,執行器停止動作。
將操作旋鈕旋到“打開”位置,并保持不動,此時電動裝置向打開方向運動。一旦放開旋鈕,旋鈕會自動回到原始位置,執行器停止動作。
4.7.2.2.2.3現場保持操作:
將操作旋鈕旋到“關閉”位置,此時電動裝置向關閉方向運動。然后放開旋鈕,旋鈕會自動回到原始位置,但電動裝置向關閉方向的運動仍會繼續進行,直到停止動作的條件滿足(如過力矩、到達關限位等)。
將操作旋鈕旋到“打開”位置,此時電動裝置向打開方向運動。然后放開旋鈕,旋鈕會自動回到原始位置,電動裝置向打開方向的運動會繼續進行,直到停止動作的條件滿足(如過力矩、到達開限位等)。
4.7.2.2.2.4遠程模擬操作(調節型):
將位置選擇旋鈕旋轉到遠程位置。LCD液晶屏顯示遠程模擬控制模式。
在遠程模擬模式下,系統接收遠程輸入的模擬信號(4~20mA)作為目標開度。根據當前開度和目標開度的差值自動將電動裝置調整到目標位置。
★當檢測到的模擬信號丟失時(小于3mA),顯示丟信,并執行丟信處理。丟信狀態下的處理方式可在組態參數設定時選定。
4.7.2.2.2.5遠程開關操作(開關型):
將位置選擇旋鈕旋轉到遠程位置。若遠程模擬控制屏蔽或遠程模擬信號為丟信狀態,遠程開關控制有效。LCD液晶屏顯示遠程點動、遠程保持或遠程雙位模式(具體由組態參數設定時選定)。
a)遠程點動操作:選擇遠程點動時,遠程打開和遠程關閉信號有效。
遠程關閉信號閉合,電動裝置向關閉方向運動。一旦遠程關閉信號斷開,電動裝置立即停止動作。
遠程打開信號閉合,電動裝置向打開方向運動。一旦遠程打開信號斷開,電動裝置立即停止動作。
b)遠程保持操作:選擇遠程自保持操作時,遠程打開、遠程關閉和遠程保持信號有效。
遠程關閉信號閉合,電動裝置向關閉方向運動。一旦遠程關閉信號斷開,電動裝置仍保持關閉動作,直到遠程保持信號動作或停止動作的條件滿足(如過力矩、到達關限位等)。
遠程打開信號閉合,電動裝置向打開方向運動。一旦遠程打開信號斷開,電動裝置仍保持打開動作,直到遠程保持信號動作或停止動作的條件滿足(如過力矩、到達開限位等)。
注:遠程保持信號可在菜單內選擇常開或常閉形式。
C)遠程雙位操作:遠程雙位包括有信開無信關、有信關無信關兩種模式(具體由組態參數設定時選定)。
有信開無信關模式,僅遠程打開輸入有效。該信號閉合電動裝置打開;該信號斷開電動裝置關閉;
有信關無信開模式,僅遠程關閉輸入有效。該信號閉合電動裝置關閉;該信號斷開電動裝置打開;
4.7.2.2.3停止位置:將位置選擇旋鈕旋轉到遠程位置。此時LCD液晶屏顯示停止模式。在此狀態下,控制箱禁止所有的電動操作。
4.7.3控制箱的工作參數設置
4.7.3.1參數設置:作為智能型控制系統,可在不打開電動裝置罩蓋的情況下,進入組態參數設置狀態,設置電動裝置行程、轉矩、控制方式等參數,并能進入高級設置狀態設置部分控制參數。
★組態參數設置可以利用操作旋鈕完成。具體方法詳見下章節描述。
4.7.3.2進入組態設置狀態:把位置選擇旋鈕放在停止位置上,通過以下方法可進入到組態參數設置狀態:
4.7.3.2.1進入組態設置狀態(圖9)所示:通過操作旋鈕:把操作旋鈕旋轉到關閉位置保持5秒;進入到組態設置狀態下,LCD顯示屏顯示各子菜單。
4.7.3.2.2 退出組態設置狀態:
a)在組態設置狀態下,把位置選擇旋鈕旋回到現場或者遠程位置,可退出設置狀態;
b)在組態設置狀態下,30秒鐘內無任何操作,自動退出設置狀態;
c)在組態設置狀態下,把操作旋鈕旋到打開位置一次,可移動光標位置到“退出設置”項,再把操作旋鈕旋轉到關閉位置一下,可退出設置狀態。
4.7.3.3位置標定設置見(圖9):使用操作旋鈕的打開操作,移動光標到“位置標定”項,使用操作旋鈕的關閉操作進入子菜單

4.7.3.4全關標定如(圖10):進入標定全關,將閥門關到全關位置標定為0%、xxxxx處顯示編碼器檢測到的開度^值數(0~65535)在此界面下,光標在確認處按下設置確定鍵,即成功把當前位置標定為全關位置,顯示比例0%;光標在返回處按下設置確定鍵如(圖11)所示,直接返回到上級菜單。
★注:在位置標定狀態下,把位置選擇旋鈕撥到現場位置,不退出設置界面,此時可以調整閥門位置,不受原先標定的全開全關位置限制。位置調整完成后再切換到停止位,可繼續完成設置。
4.7.3.4全開標定如圖:進入標定全開,可把閥門當前位置標定為100%xxxxx處顯示編碼器檢測到的開度^值數(0~65535)光標在確認處按下設置確定鍵,即成功把當前位置標定為全開位置,顯示比例100%;光標在返回處按下設置確定鍵如(圖11)所示,直接返回到上級菜單。
★注:在位置標定狀態下,把位置選擇旋鈕撥到現場位置,不退出設置界面,此時可以調整閥門位置,不受原先標定的全開全關位置限制。位置調整完成后再切換到停止位,可繼續完成設置。
4.7.3.4轉矩設置設置:使用操作旋鈕的關閉操作進入子菜單
4.7.3.5關向轉矩設置如(圖13):進入關向轉矩設置,可設置關向控制轉矩大小。閥門關閉過程中,檢測到關向轉矩超過設定的控制轉矩時執行關向過矩保護。控制轉矩可調整范圍30%~120%在此界面下,旋轉操作扭增加、減少可在30%~120%之間調整數值如(圖14)。調整完成后,把光標移動到返回項按下設置確定鍵保存并返回上級界面。
4.7.3.6開向轉矩設置如圖:進入開向轉矩設置,可設置開向控制轉矩大小。閥門打開過程中,檢測到開向轉矩超過設定的控制轉矩時執行開向過矩保護??刂妻D矩可調整范圍30%~120%在此界面下,旋轉操作扭增加、減少按鍵可在30%~120%之間調整數值如(圖15)。調整完成后,把光標移動到返回項按下設置確定鍵保存并返回上級界面。
注:廠家在出廠時轉矩一般都已調整好,現場一般不需調整,如需調整^好由廠家進行調整。
4.7.3.7控制方式設置如(圖9):使用操作旋鈕的打開操作,移動光標到“控制方式”項,使用操作旋鈕的關閉操作進入子菜單
4.7.3.8現場控制方式如(圖16):現場控制方式可選擇點動或自保持兩種模式如(圖17)。通過操作旋鈕的打開操作,可移動光標位置。在光標停留選項上,通過操作旋鈕的關閉操作,確認選中該選項。被選中的選項,將被標注“*”
4.7.3.9遠程模擬設置如(圖18):遠程模擬控制主要設置模擬信號丟信時的處理方式。包括屏蔽模擬輸入、丟信保持、丟信關閉、丟信居中、丟信打開等選項。通過操作旋鈕的打開操作,可移動光標位置。在光標停留選項上,通過操作旋鈕的關閉操作,可選中該選項。被選中的選項,將被標注“*”
4.7.3.10遠程開關設置如(圖19):遠程開關控制主要設置開關量控制信號的類型、通過操作旋鈕的打開操作,可移動光標位置。在光標停留選項上,通過操作旋鈕的關閉操作,被選中的選項將被標注“*”
4.7.3.11參數設置如(圖20):參數的設置需要專業人員完成。主要設置內容包括:開、關向限位方式、模擬信號斜率、調節型死區設置等。具體如下:
4.7.3.8現場控制方式如(圖16):現場控制方式可選擇點動或自保持兩種模式如(圖17)。通過操作旋鈕的打開操作,可移動光標位置。在光標停留選項上,通過操作旋鈕的關閉操作,確認選中該選項。被選中的選項,將被標注“*”
4.7.3.9遠程模擬設置如(圖18):遠程模擬控制主要設置模擬信號丟信時的處理方式。包括屏蔽模擬輸入、丟信保持、丟信關閉、丟信居中、丟信打開等選項。通過操作旋鈕的打開操作,可移動光標位置。在光標停留選項上,通過操作旋鈕的關閉操作,可選中該選項。被選中的選項,將被標注“*”
4.7.3.10遠程開關設置如(圖19):遠程開關控制主要設置開關量控制信號的類型、通過操作旋鈕的打開操作,可移動光標位置。在光標停留選項上,通過操作旋鈕的關閉操作,被選中的選項將被標注“*”
4.7.3.11參數設置如(圖20):參數的設置需要專業人員完成。主要設置內容包括:開、關向限位方式、模擬信號斜率、調節型死區設置等。具體如下:
4.7.3.12關向控制設置如(圖21):該子菜單可設置關向限位形式選擇行程限位,由編碼器位置進行限位,當開度到0%時輸出關限位標志,禁止電動裝置關向操作;選擇轉矩限位,由轉矩電位器信號限位,當閥門關閉過程中檢測到當前轉矩大于設定的控制轉矩時,輸出關限位標志,禁止電動裝置關向操作。
4.7.3.13開向控制設置如(圖22):該子菜單可設置關向限位形式選擇行程限位,由編碼器位置進行限位,當開度到100%時輸出開限位標志,禁止電動裝置開向操作;選擇轉矩限位,由轉矩電位器信號限位,當閥門打開過程中檢測到當前轉矩大于設定的控制轉矩時,輸出開限位標志,禁止電動裝置開向操作。
4.7.3.14中間位1設置如(圖23):中間位置1用于閥門位置反饋用,可自由設定,默認25%

4.7.3.15中間位2設置如(圖24):中間位置2用于閥門位置反饋用,可自由設定,默認50%
4.7.3.16安全位置設置如(圖25):安全位置為出現異常時閥門需要保持的位置。當選擇ESD緊急狀態,閥門回到安全位置時有效。
4.7.3.17ESD屬性設置如(圖26):進入ESD屬性設置,可選擇ESD緊急狀態下的處理方式;選定ESD功能禁用時,不響應ESD緊急狀態輸入;選定ESD保持位置時,閥門保持當前位置,不響應其它任何現場或遠程操作;選定ESD到安全位時,一旦檢測到有效的ESD信號輸入,即刻把閥門調整到4.7.3.16設置的安全位置。
4.7.3.18反饋值斜率設置如(圖27):反饋值斜率指開度反饋模擬信號的方向,正斜率為4~20mA,閥門關閉反饋電流4mA;閥門打開反饋電流20mA。負斜率為20~4mA,閥門關閉反饋電流20mA;閥門打開反饋電流4mA。
4.7.3.19輸入值斜率設置如(圖28):輸入值斜率指調節型輸入目標位置模擬信號的方向,正斜率為4~20mA,要求閥門關閉輸入電流4mA;要求閥門打開輸入電流20mA。負斜率為20~4mA,要求閥門關閉輸入電流20mA;要求閥門打開輸入電流4mA。
4.7.3.20 控制死區設置如(圖29):控制死區為調節型控制時響應輸入目標開度的死區范圍,可進入子菜單設置1.0%、2.5%、5.0%三個選項。
4.7.3.21反饋信號設置如(圖29)(圖30):在主菜單下選中反饋信號設置,進入反饋信號的設置子菜單:
5個可編程開關量反饋可設置觸點形式、信號選擇兩個子項目,具體如下:
4.8故障現象及處理見(表5):
5安裝與拆卸
5.1本電動執行機構的安裝形式無原則要求,但電機處于水平狀態,電氣箱蓋處于水平或垂直向上狀態為推薦安裝形式,這樣有利于潤滑、調試、維護和手動操作;
5.2安裝時應保證維修檢查人員拆卸各部件所需的空間;
5.3安裝與閥門連接的牙嵌軸向間隙不少于1~2mm;
5.4當用于明桿閥門時,應檢查閥桿伸出量與閥桿護套的長度是否相符;
5.5 安裝、拆卸、調試時不可損傷密封面、密封件和防爆型電動執行機構的防爆面,并應在隔爆面上涂防銹油;
5.6當需要拆卸時,應先將手動手輪旋轉數圈,在閥門稍開狀態下進行
- 2025-09-08 > 電動閥門執行器:工業自動化的核心驅動裝置
- 2025-08-15 > 電動閥門改造:技術升級與智能化轉型的全面解析
- 2025-07-07 > 電動閥門改造需要注意什么問題
- 2025-06-20 > 選電動閥門執行器時需要考慮哪些因素呢
- 2025-05-26 > 閥門電裝控制回路技能鑒定實操
- 2025-04-24 > 電動閥門執行器在哪個位置
- 2025-03-17 > 電動閥門執行器安裝方向
- 2025-02-18 > 閥門電裝可以接地嗎
- 2025-01-14 > 電動閥門執行器故障報警怎么接線原理
- 2024-12-18 > 電動閥門執行器故障


